interierovy alarm
Predpoklad: v aute je jiz obvodovy alarm (viewtopic.php?f=283&t=46862)
Dily: stropni svetlo s ultrazvukovymi cidly AV11-15K609-AF (fiesta, Bmax, ecosport)
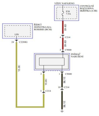
Schema:
C214 - konektor v Asloupku spolujezdce
popis konektoru na BMC viz download/file.php?id=163742&t=1
Postup:
1. zapojime stropni cidla (napajeni lampicky i nocnich LEDek je stejne, prida se jen konektor na ultrazvuky)
2. diagnostikou se povoli "interior motion sensor"
Navod - fiesta mk7 facelift - objemovy alarm
- ZaQik
- Admin

- Příspěvky: 25120
- Registrován: 30.05.2010 17:33
- Bydliště: exit 82 na D0
Navod - fiesta mk7 facelift - objemovy alarm
Ford Focus mk3 combi 1.6 Ti-VCT, r.v.2018 + Ford Fiesta mk7 3D 1.25, r.v.2014
byl Ford Focus mk2 combi 1.6, r.v.2009 + Ford Fiesta mk6 1.4 TDCi r.v. 2004
Nejsem poradna, encyklopedie ani hotline spolecnosti Ford - ptejte se na foru, od toho je.
byl Ford Focus mk2 combi 1.6, r.v.2009 + Ford Fiesta mk6 1.4 TDCi r.v. 2004
Nejsem poradna, encyklopedie ani hotline spolecnosti Ford - ptejte se na foru, od toho je.
- ZaQik
- Admin

- Příspěvky: 25120
- Registrován: 30.05.2010 17:33
- Bydliště: exit 82 na D0
Re: Navod - fiesta mk7 facelift - objemovy alarm
s BCM AV1T-15K600-Ex tohle nefunguje
Ford Focus mk3 combi 1.6 Ti-VCT, r.v.2018 + Ford Fiesta mk7 3D 1.25, r.v.2014
byl Ford Focus mk2 combi 1.6, r.v.2009 + Ford Fiesta mk6 1.4 TDCi r.v. 2004
Nejsem poradna, encyklopedie ani hotline spolecnosti Ford - ptejte se na foru, od toho je.
byl Ford Focus mk2 combi 1.6, r.v.2009 + Ford Fiesta mk6 1.4 TDCi r.v. 2004
Nejsem poradna, encyklopedie ani hotline spolecnosti Ford - ptejte se na foru, od toho je.
Kdo je online
Uživatelé prohlížející si toto fórum: Žádní registrovaní uživatelé a 1 host

