Stránka 1 z 1

Navod - fiesta mk7 facelift - city STOP

Napsal: 04.08.2022 08:56
od ZaQik
Potrebne dily:
drzak kamery (soucast celniho skla)
dvoudilny interierovy kryt kamery a destaku (C1BB-A03514-AC3YYW a C1BB-A03515-AC3YYW)
kamera C1BT-14F449-AB
ffi7_fdsm_lidar.jpg
2x chytre zadni cidlo ABS pro bubnove brzdy (C1BC-2C190-BB; pro kotoucove netreba menit)
ffi7_fdsm_cidloABS.jpg
(chytre cidlo ma zluto-cerny privodni kabel, hloupe bilo-cerny)

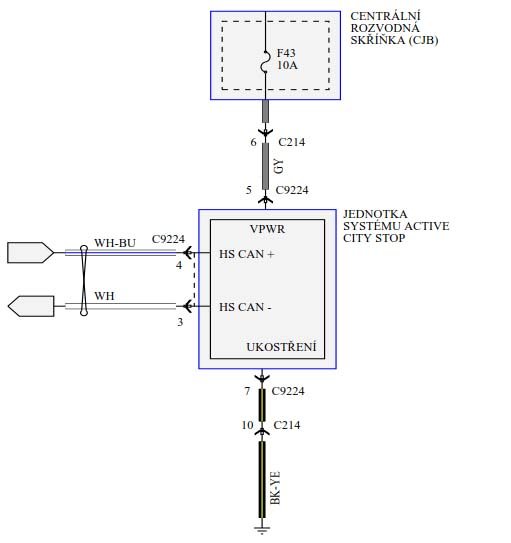
Schema:
zapojeni radaru
ffi7_fdsm_lidar_schema.jpg
zapojeni brzd
ffi7_fdsm_brzda_schema.jpg

Re: Navod - fiesta mk7 facelift - city STOP

Napsal: 04.08.2022 09:06
od ZaQik
Postup:
1. vymenime cidla ABS (kazde 1x torx 20)
2. usadime radar do predniho skla - kostra spolecna s lampickou nebo destakem, sbernici HS CAN jsem pres C214 (Asloupek ridice) zapojil za diagnostickou zasuvku (bily a bilo-modry drat), napajeni z interierove pojiskovnice F43 (jeden pin pojistky byl pripraven, takze bud osadit druhy nebo jen dat privod pod pojistku)
3. zapojime brzdove rele:
- potrebujeme rele s 5 nozickami (staci male 20A) - ja k nemu mel i pozdro, ktere se usazuje do interove pojistkovnice
- vyvod 1 a 5 dame na pojistku F2 (interierova pojiskovnice), ktera napaji brzdova svetla
- z konektoru C211 (Asloupek v nohach ridice) na pinu 61 prerusime drat a oba konce dotahneme na rele na vyvody 4 a 3
- vyvod 2 pripojime na BCM na pin 18 v konektoru G
4. diagnostikou zmenime v centralni konfiguraci parametr City Safety na hodnotu 02 (City Safety, Mode 1) a parametr Wheel speed sensor na hodnotu 01 (Direction Recognition); otom je potreba udelat inicializaci ABS
5. a v menu radia lze pripadne funkcionalitu vypnout
ffi7_fdsm_displej.jpg