Chyba adaptivnich svetlometu
- Airwavemagic
- Nováček

- Příspěvky: 31
- Registrován: 12.04.2018 19:18
- Bydliště: Němčičky, Prostějov, Urnäsch
- Kontaktovat uživatele:
Re: Chyba adaptivnich svetlometu
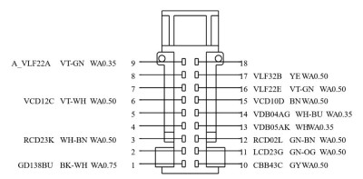
Tak teď jsem teda úplně ztracený. U kontaktů jsem nenašel žádné označení.
Ford S-Max 2.0, 103 kW, r.v. 2006
- ZaQik
- Admin

- Příspěvky: 25041
- Registrován: 30.05.2010 17:33
- Bydliště: exit 82 na D0
Re: Chyba adaptivnich svetlometu
viz popis konektoru
Ford Focus mk3 combi 1.6 Ti-VCT, r.v.2018 + Ford Fiesta mk7 3D 1.25, r.v.2014
byl Ford Focus mk2 combi 1.6, r.v.2009 + Ford Fiesta mk6 1.4 TDCi r.v. 2004
Nejsem poradna, encyklopedie ani hotline spolecnosti Ford - ptejte se na foru, od toho je.
byl Ford Focus mk2 combi 1.6, r.v.2009 + Ford Fiesta mk6 1.4 TDCi r.v. 2004
Nejsem poradna, encyklopedie ani hotline spolecnosti Ford - ptejte se na foru, od toho je.
- Airwavemagic
- Nováček

- Příspěvky: 31
- Registrován: 12.04.2018 19:18
- Bydliště: Němčičky, Prostějov, Urnäsch
- Kontaktovat uživatele:
Re: Chyba adaptivnich svetlometu
Tak očíslovaný konektor byl, jenom jsem se poprvé špatně díval. Pin 17 v konektoru jednotky je průchozí s pinem 14 ve světlech.
Světla vždy po nastartování provedou "diagnostiku" natáčení ? Dříve jsem si toho nevšiml (nebo jsem tomu nevěnoval pozornost ?).
Světla vždy po nastartování provedou "diagnostiku" natáčení ? Dříve jsem si toho nevšiml (nebo jsem tomu nevěnoval pozornost ?).
Ford S-Max 2.0, 103 kW, r.v. 2006
- ZaQik
- Admin

- Příspěvky: 25041
- Registrován: 30.05.2010 17:33
- Bydliště: exit 82 na D0
Re: Chyba adaptivnich svetlometu
ano, po zapnuti zapalovani (nebo nastartovani) se svetla kalibruji - pohybuji se obe stejne? (mozna zrcadlove)
Ford Focus mk3 combi 1.6 Ti-VCT, r.v.2018 + Ford Fiesta mk7 3D 1.25, r.v.2014
byl Ford Focus mk2 combi 1.6, r.v.2009 + Ford Fiesta mk6 1.4 TDCi r.v. 2004
Nejsem poradna, encyklopedie ani hotline spolecnosti Ford - ptejte se na foru, od toho je.
byl Ford Focus mk2 combi 1.6, r.v.2009 + Ford Fiesta mk6 1.4 TDCi r.v. 2004
Nejsem poradna, encyklopedie ani hotline spolecnosti Ford - ptejte se na foru, od toho je.
- Airwavemagic
- Nováček

- Příspěvky: 31
- Registrován: 12.04.2018 19:18
- Bydliště: Němčičky, Prostějov, Urnäsch
- Kontaktovat uživatele:
Re: Chyba adaptivnich svetlometu
Tak jsem to ještě jednou vyzkoušel a natočil na video. Pohybuje jenom levé, pravé dle videa https://nemcicky.net/svetlo.mp4 má snahu něco udělat, ale nenatáčí se jako levé. Takže problém pravděpodobně motorek nebo nějaká jednotka ve světle? Při zapnutém zapalování (ale nenastartuji) jde naklápění nahoru a dolů bez problémů.
Ford S-Max 2.0, 103 kW, r.v. 2006
- ZaQik
- Admin

- Příspěvky: 25041
- Registrován: 30.05.2010 17:33
- Bydliště: exit 82 na D0
Re: Chyba adaptivnich svetlometu
me zase prijde, ze se to leve hybe az moc - jako by neumelo najit vychozi polohu
-----------------
podle mereni je kabelaz v aute v poradku ... a protoze obe svetla jsou na jednom vyvodu z jednotky svetel, tak se neda merenim urcit, ktere svetlo je spatne ... mozna zkus nechat k auto pripojene jen jedno svetlo (a pak jen druhe), zda se Ti stejna chyba objevi (dalsi chyby pribudou, kdyz bude jedno svetlo odpojene) ... pokud se objevi jen v jednom pripade (jen s jednim svetlem), tak to svetlo je uvnitr spatne
-----------------
podle mereni je kabelaz v aute v poradku ... a protoze obe svetla jsou na jednom vyvodu z jednotky svetel, tak se neda merenim urcit, ktere svetlo je spatne ... mozna zkus nechat k auto pripojene jen jedno svetlo (a pak jen druhe), zda se Ti stejna chyba objevi (dalsi chyby pribudou, kdyz bude jedno svetlo odpojene) ... pokud se objevi jen v jednom pripade (jen s jednim svetlem), tak to svetlo je uvnitr spatne
Ford Focus mk3 combi 1.6 Ti-VCT, r.v.2018 + Ford Fiesta mk7 3D 1.25, r.v.2014
byl Ford Focus mk2 combi 1.6, r.v.2009 + Ford Fiesta mk6 1.4 TDCi r.v. 2004
Nejsem poradna, encyklopedie ani hotline spolecnosti Ford - ptejte se na foru, od toho je.
byl Ford Focus mk2 combi 1.6, r.v.2009 + Ford Fiesta mk6 1.4 TDCi r.v. 2004
Nejsem poradna, encyklopedie ani hotline spolecnosti Ford - ptejte se na foru, od toho je.
-
stano.
- Člen klubu

- Příspěvky: 13653
- Registrován: 18.07.2011 19:55
Re: Chyba adaptivnich svetlometu
Potom nerozumiem tomuto.
- ZaQik
- Admin

- Příspěvky: 25041
- Registrován: 30.05.2010 17:33
- Bydliště: exit 82 na D0
Re: Chyba adaptivnich svetlometu
ja taky ne ... nataceni doleva/doprava je pres sbernici a cekal bych, ze na to bude nejake odlisne chybove hlaseni
---------------------
napada me, jestli neni problem jinde, nez rika chybovy kod: fungujou Ti obe prisvitove zarovky? tj. rozsveci se?
---------------------
napada me, jestli neni problem jinde, nez rika chybovy kod: fungujou Ti obe prisvitove zarovky? tj. rozsveci se?
Ford Focus mk3 combi 1.6 Ti-VCT, r.v.2018 + Ford Fiesta mk7 3D 1.25, r.v.2014
byl Ford Focus mk2 combi 1.6, r.v.2009 + Ford Fiesta mk6 1.4 TDCi r.v. 2004
Nejsem poradna, encyklopedie ani hotline spolecnosti Ford - ptejte se na foru, od toho je.
byl Ford Focus mk2 combi 1.6, r.v.2009 + Ford Fiesta mk6 1.4 TDCi r.v. 2004
Nejsem poradna, encyklopedie ani hotline spolecnosti Ford - ptejte se na foru, od toho je.
- Airwavemagic
- Nováček

- Příspěvky: 31
- Registrován: 12.04.2018 19:18
- Bydliště: Němčičky, Prostějov, Urnäsch
- Kontaktovat uživatele:
Re: Chyba adaptivnich svetlometu
Přísvitové žárovky fungují správně. Ale mám dojem, že levé světlo svítí úplně vlevo, ne dopředu.
Stojím přímo naproti červenému autu, ale lom od levého světla je na levém autě (vyznačeno červenou čárou) (kola jsou natočena rovně). Zkusím nafotit později a lépe, před nějakou tmavou stěnou a vyzkouším ještě prohodit po jednom ty světla (napojit na levý nebo pravý konektor?)
Stojím přímo naproti červenému autu, ale lom od levého světla je na levém autě (vyznačeno červenou čárou) (kola jsou natočena rovně). Zkusím nafotit později a lépe, před nějakou tmavou stěnou a vyzkouším ještě prohodit po jednom ty světla (napojit na levý nebo pravý konektor?)
Naposledy upravil(a) Airwavemagic dne 09.01.2023 18:43, celkem upraveno 1 x.
Ford S-Max 2.0, 103 kW, r.v. 2006
- ZaQik
- Admin

- Příspěvky: 25041
- Registrován: 30.05.2010 17:33
- Bydliště: exit 82 na D0
Re: Chyba adaptivnich svetlometu
musis mit kola rovne ... vyzkousej to, co jsem psal: kazde svetlo zvlast
Ford Focus mk3 combi 1.6 Ti-VCT, r.v.2018 + Ford Fiesta mk7 3D 1.25, r.v.2014
byl Ford Focus mk2 combi 1.6, r.v.2009 + Ford Fiesta mk6 1.4 TDCi r.v. 2004
Nejsem poradna, encyklopedie ani hotline spolecnosti Ford - ptejte se na foru, od toho je.
byl Ford Focus mk2 combi 1.6, r.v.2009 + Ford Fiesta mk6 1.4 TDCi r.v. 2004
Nejsem poradna, encyklopedie ani hotline spolecnosti Ford - ptejte se na foru, od toho je.
- Airwavemagic
- Nováček

- Příspěvky: 31
- Registrován: 12.04.2018 19:18
- Bydliště: Němčičky, Prostějov, Urnäsch
- Kontaktovat uživatele:
Re: Chyba adaptivnich svetlometu
pravé světlo odpojené, zapnuté zapalování
pravé světlo odpojené, nastartovaný motor
levé světlo odpojené , zapnuté zapalování
levé světlo odpojené, nastartovaný motor
A vidím jeden rozdíl, při nastartovaním motoru, je u levého světla stále +- 11,5 V u řídícího modulu (pravé při nastartovaném motoru má 14,3 V)
Ford S-Max 2.0, 103 kW, r.v. 2006
- ZaQik
- Admin

- Příspěvky: 25041
- Registrován: 30.05.2010 17:33
- Bydliště: exit 82 na D0
Re: Chyba adaptivnich svetlometu
takhle to vypada, ze blbne levy svetlomet (a chyba jde do jednotky svetel po sbernici, proto se pri prohozeni svetel chyba neprestehuje)
Ford Focus mk3 combi 1.6 Ti-VCT, r.v.2018 + Ford Fiesta mk7 3D 1.25, r.v.2014
byl Ford Focus mk2 combi 1.6, r.v.2009 + Ford Fiesta mk6 1.4 TDCi r.v. 2004
Nejsem poradna, encyklopedie ani hotline spolecnosti Ford - ptejte se na foru, od toho je.
byl Ford Focus mk2 combi 1.6, r.v.2009 + Ford Fiesta mk6 1.4 TDCi r.v. 2004
Nejsem poradna, encyklopedie ani hotline spolecnosti Ford - ptejte se na foru, od toho je.
- Airwavemagic
- Nováček

- Příspěvky: 31
- Registrován: 12.04.2018 19:18
- Bydliště: Němčičky, Prostějov, Urnäsch
- Kontaktovat uživatele:
Re: Chyba adaptivnich svetlometu
Budu muset koupit nové světlo. Měl jsem ho rozebrané (rozlepil jsem ho) ale žádná viditelná chyba tam nebyla. Jenom mi tady chybí štítek. Na pravém světle mám tento .
Na levém světle bude pravděpodobně nějaká drobná změna, že ?
Nejdřív se chci podívat po bazarech a chci se orientovat podle toho štítku. Jiná, lepší orientace asi není, že.
Nové potom koupím podle VIN.
Na levém světle bude pravděpodobně nějaká drobná změna, že ?
Nejdřív se chci podívat po bazarech a chci se orientovat podle toho štítku. Jiná, lepší orientace asi není, že.
Nové potom koupím podle VIN.
Ford S-Max 2.0, 103 kW, r.v. 2006
- Bomiňo
- Junior

- Příspěvky: 247
- Registrován: 03.05.2009 21:31
- Bydliště: Slovácko
Re: Chyba adaptivnich svetlometu
Narazil jsem na Sbazaru na opravy xenonů a LED světel v Brně. Zkus je oslovit.
Ford S-Max 07/2015, 1,5 EB, 118 kW , Titanium,červená Ruby
Ford Focus kombi 1,6 74kw Ghia, 07/2006, Tango red - prodáno
Ford Focus kombi 1,6 74kw Ghia, 07/2006, Tango red - prodáno
- ZaQik
- Admin

- Příspěvky: 25041
- Registrován: 30.05.2010 17:33
- Bydliště: exit 82 na D0
Re: Chyba adaptivnich svetlometu
leve svetlo: 6M21-13D153-AK (posledni pismeno muze byt jine)
Ford Focus mk3 combi 1.6 Ti-VCT, r.v.2018 + Ford Fiesta mk7 3D 1.25, r.v.2014
byl Ford Focus mk2 combi 1.6, r.v.2009 + Ford Fiesta mk6 1.4 TDCi r.v. 2004
Nejsem poradna, encyklopedie ani hotline spolecnosti Ford - ptejte se na foru, od toho je.
byl Ford Focus mk2 combi 1.6, r.v.2009 + Ford Fiesta mk6 1.4 TDCi r.v. 2004
Nejsem poradna, encyklopedie ani hotline spolecnosti Ford - ptejte se na foru, od toho je.
Kdo je online
Uživatelé prohlížející si toto fórum: Žádní registrovaní uživatelé a 2 hosti

